×

Alloy analysis to optimize performance and costs through reverse engineering

What was the challenge or problem to be solved?

In an increasingly competitive industrial environment, many companies face constant pressure to improve the technical performance of their products without increasing manufacturing costs. In this context, precise knowledge of the materials used by competitors becomes a strategic factor.

The project arose from the need to gain an in-depth understanding of the composition and behavior of certain solutions available on the market, with the aim of identifying real opportunities for improvement. The objective was not merely to replicate a product, but to assess whether it was possible to optimize its performance or reduce its cost while maintaining functional requirements.

Alloy analysis as a basis for technical decision-making

The starting point was the need to carry out an alloy analysis of materials used in competing products. The company sought to understand which metallic materials were being used and what technical advantages they provided in terms of strength, mechanical behavior, and durability under real service conditions.

In many industrial developments, small variations in chemical composition can generate significant differences in medium- and long-term performance. However, these differences are not always visible to the naked eye and cannot be inferred solely from commercial documentation. It was therefore necessary to accurately identify the elements present and their proportions, avoiding unverified assumptions.

Alloy analysis enables the identification of critical differences that are not visible but directly impact product performance and durability.

The objective was not to copy an existing solution, but to obtain objective information to support design and material selection decisions. Alloy analysis was approached as a strategic tool to reduce technical uncertainty and support decisions based on verified data.

Cost optimization without compromising performance

In addition to technical performance, there was a clear concern regarding cost optimization. The use of certain alloys can significantly increase the final product cost, particularly when they include high-value elements or specific treatments.

The challenge was to determine whether the materials used by competitors responded to a real functional need or whether there was room to use more economically efficient alternatives. This assessment had to be carried out using sound technical criteria, avoiding substitutions that could compromise safety, structural stability, or component service life.

To achieve this, it was essential to combine analytical information with knowledge of the operating context. The company required a solid technical basis to define realistic improvement scenarios, aligning performance with economic feasibility.

Reverse engineering of competitors as a technical benchmarking tool

The project involved a structured reverse engineering exercise focused on competitors, understood as a technical analysis process aimed at understanding how a product had been conceived from a materials and design perspective.

The goal was not only to identify the alloy used, but also to interpret why it had been selected and what role it played within the overall system. This approach required integrating analytical results with functionality criteria, service loads, and regulatory requirements.

The technical challenge lay in avoiding simplistic conclusions based solely on composition. INFINITIA addressed the study from a comprehensive perspective, combining advanced characterization and critical analysis to generate useful information for product strategy.

Alloy analysis using electron microscopy for reverse engineering.

How was it approached or what was the solution?

The solution was structured around a metallic materials characterization strategy combined with a comparative approach. The objective was to transform analytical data into decision-making criteria applicable to product development.

Metallic materials characterisation with a comparative approach

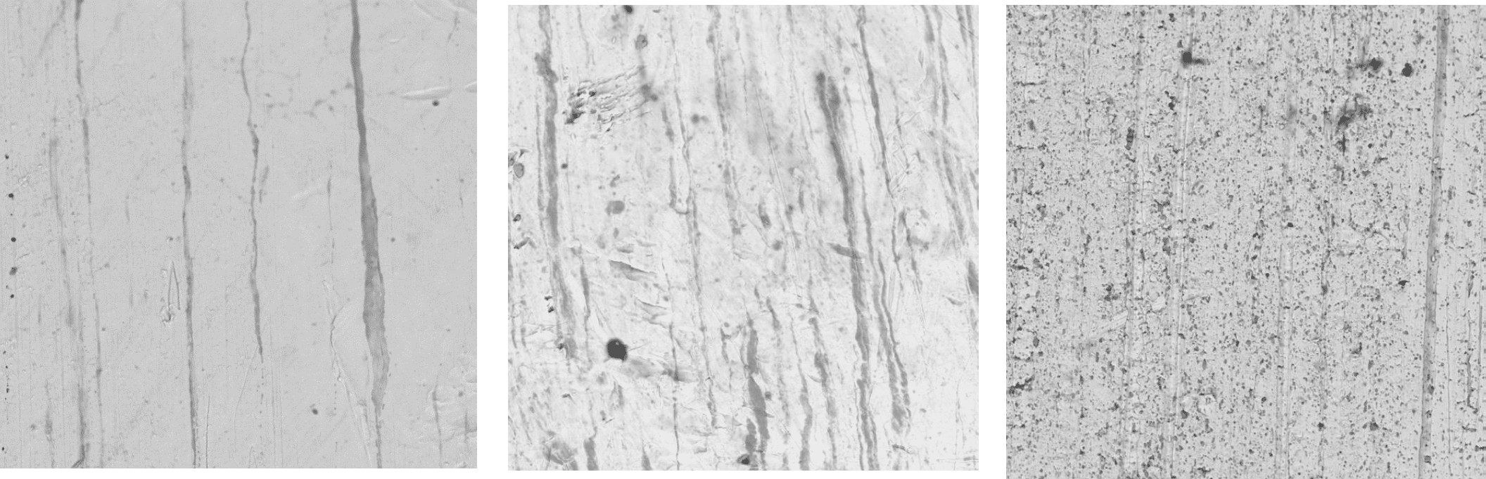
The work began with a comprehensive characterisation of the selected metallic material samples. Aspects related to chemical composition, microstructure, and properties associated with the identified alloy type were analyzed.

To gain deeper insight into internal structure and potential heterogeneities, scanning electron microscopy (SEM) techniques were used, enabling the evaluation of present phases, element distribution, and relevant morphological features. This information was essential to interpret mechanical behavior and expected in-service resistance.

Advanced characterization using SEM reveals the material’s real microstructure and its relationship with in-service behavior.

Comparative analysis between different solutions facilitated the identification of significant differences and the assessment of their potential impact on performance and cost. This approach enabled a shift from simple material identification to a functional understanding of the design adopted by competitors.

Chemical analysis of alloys to identify improvement opportunities

A central part of the project was the chemical composition analysis of alloys, understood as a systematic composition analysis process aimed at accurately determining the presence and proportion of metallic elements.

Using appropriate instrumental techniques, the alloys were classified and compared with recognized industrial standards and grades. This study made it possible to identify potential compositional overspecification or conservative configurations that increased cost without necessarily providing proportional benefit.

Accurate composition analysis helps detect overspecification and define more cost-efficient alternatives without compromising performance.

Critical interpretation of the results enabled the definition of adjustment or substitution scenarios, always under the principle of maintaining the required technical and regulatory specifications. In this way, the analysis went beyond description and was oriented toward generating viable optimization proposals.

Technical product benchmarking focused on performance optimization

The project concluded with a technical product benchmarking exercise, integrating analytical results within a strategic improvement framework. This process made it possible to assess whether the studied solutions represented an optimal industry standard or whether there were opportunities for differentiation.

INFINITIA’s Forensic Engineering team participated in the overall interpretation of the results, linking characterization data with reliability criteria, cost considerations, and expected in-service behavior. This perspective enabled the translation of technical information into concrete development decisions.

As a result, the company obtained an objective basis to redefine its materials strategy. The project demonstrated that a structured reverse engineering approach, supported by advanced characterization and comparative analysis, can become an effective tool for balancing performance, cost, and competitive positioning.

Chemical composition spectra of metallic alloys for comparative study